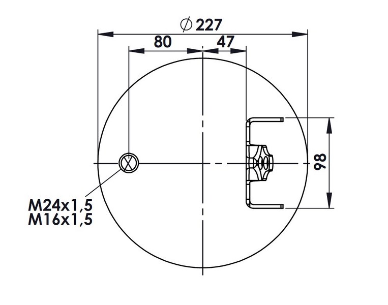
787804-2C

VOLVO

: 21961447

VOLVO

: 20 582 212

VOLVO

: 20 531 988

VOLVO

: 20 456 158

VOLVO

: 20 427 805

VOLVO

: 20 375 228

VOLVO

: 20 427 802

VOLVO

: 1 076 417

FIRESTONE

: W01-M58-8690

VIBRACOUSTIC

: V 1 DF 16 E-2

NEOTECH

: ABM 218 29 A 06

CONTITECH

: 6606 N P02

FIRESTONE STYLE

: 1T15LNR-3.0

Complete with Metal Piston

80*115*88

30

6,46 kg